ZLF自力式平衡阀
ZLF自力式平衡阀是一种利用介质本身的压力变化来进行自我调控,从而保持流经该被控系统流量不变的阀门,ZLF自立式平衡阀具有流量指示,可在线调节,适用于供热及空调系统等非腐蚀性介质的流量控制。运行前一次性测试调节,可使系统流量自动恒定在预先设置的设定值。ZLF自力式平衡阀流量调节准确,操作简单,运作平稳,性能可靠,使用寿命长。
|
产品名称: |
自力式平衡阀 |
产品型号: |
ZLF |
|
公称通径: |
DN15~DN350 |
功能作用: |
平衡流量 |
|
公称压力: |
1.6MPa |
连接方式: |
法兰式、内螺纹 |
|
适用温度: |
-0ºC~+80ºC |
驱动方式: |
自力式 |
|
阀体材质: |
球墨铸铁、铸钢、不锈钢 |
制造标准: |
国标GB、德国DIN、美国API、ANSI |
|
适用介质: |
水、油、液体等 |
生产厂家: |
welcome赢乐 |
产品说明
ZLF自力式平衡阀是一种利用介质本身的压力变化来进行自我调控,从而保持流经该被控系统流量不变的阀门,ZLF自立式平衡阀具有流量指示,可在线调节,适用于供热及空调系统等非腐蚀性介质的流量控制。运行前一次性测试调节,可使系统流量自动恒定在预先设置的设定值。ZLF自力式平衡阀流量调节准确,操作简单,运作平稳,性能可靠,使用寿命长。
产品特点
1、可按设计要求或实际要求设定流量,自动消除系统的压差波动,保持流量不变。
2、克服系统冷热不均现象,提高供冷水(热水)的质量。
3、彻底解决近端压差大,远差压差的矛盾。
4、减少系统循环水量,减低系统阻力。
5、减少设计工作量,不需对管道进行繁琐的水力平衡计算,管网设计简单,维修方便,节约造价。
6、采用先进的技术膜片,理论误差为零,且可承受0.8的压差,整圈流量显示均为测试值。
零部件材料
|
零件名称 |
材料 |
|
阀体、阀盖 |
灰铸铁、球铁、铸钢、不锈钢 |
|
阀杆 |
不锈钢 |
|
阀瓣 |
铸铜 |
|
膜片 |
丁腈橡胶 |
性能规范
|
型号 |
ZLF-16 |
|
公称压力 |
1.6 MPa |
|
壳体试验压力 |
2.4MPa |
|
使用介质 |
水、油等非腐蚀性液体 |
|
介质温度 |
0-80℃ |
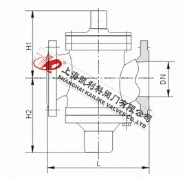
外形结构图
主要外形尺寸
|
产品型号 |
公称通径 (mm) |
L |
H1 |
H2 |
流量控制范围 m3/h |
|
ZLF-16 |
15 |
110 |
122 |
70 |
0.1~1 |
|
ZLF-16 |
20 |
110 |
122 |
70 |
0.1~1.5 |
|
ZLF-16 |
25 |
115 |
137 |
74 |
0.2~2 |
|
ZLF-16 |
32 |
160 |
182 |
91 |
0.5~4 |
|
ZLF-16 |
40 |
200 |
191 |
147 |
1~6 |
|
ZLF-16 |
50 |
215 |
197 |
147 |
2~10 |
|
ZLF-16 |
65 |
230 |
205 |
154 |
3~15 |
|
ZLF-16 |
80 |
275 |
259 |
181 |
5~25 |
|
ZLF-16 |
100 |
290 |
268 |
211 |
10~35 |
|
ZLF-16 |
125 |
315 |
334 |
227 |
15~50 |
|
ZLF-16 |
150 |
350 |
357 |
260 |
30~80 |
|
ZLF-16 |
200 |
430 |
407 |
303 |
40~180 |
|
ZLF-16 |
250 |
520 |
452 |
367 |
100~300 |
|
ZLF-16 |
300 |
635 |
486 |
430 |
150~500 |
|
ZLF-16 |
350 |
670 |
555 |
495 |
200~700 |
安装示意图
声明:【ZLF自力式平衡阀】规格型号、结构尺寸由welcome赢乐提供,如何选择适用的ZLF自力式平衡阀产品,使之在工艺控制中安全可靠、经济适用,可致电我司销售部门及技术部门,我们将在最短的时间内为您解答! |