VH3V二位三通高压球阀
VH3V二位三通高压球阀适用于液压系统和化工系统的各种管路上做为启闭用。开关迅速、方便,流体阻力小,是所有阀类中流体阻力最小的一种只要阀杆转动90°,球阀就完成了全开或全关动作,很容易实现快速启闭。阀杆密封可靠。球阀启闭时阀杆只作旋转运动,因此阀杆的填料密封不易被破坏,而且阀杆倒密封的密封力随着介质压力的增加而增大。适用介质:液压油、水一乙二醇、其它混合液体。
|
产品名称: |
VH3V二位三通高压球阀 |
产品型号: |
VH3V |
|
公称通径: |
DN6~DN50 |
结构形式: |
球形 |
|
公称压力: |
1.6Mpa~31.5Mpa |
连接方式: |
内螺纹、外螺纹 |
|
适用温度: |
-20~+100℃~+170℃ |
驱动方式: |
手动 |
|
阀体材质: |
铸钢、不锈钢 |
制造标准: |
国标GB、德国DIN、美国API、ANSI |
|
适用介质: |
水、油、气 |
生产厂家: |
welcome赢乐 |
产品说明
VH3V二位三通高压球阀适用于液压系统和化工系统的各种管路上做为启闭用。开关迅速、方便,流体阻力小,是所有阀类中流体阻力最小的一种只要阀杆转动90°,球阀就完成了全开或全关动作,很容易实现快速启闭。阀杆密封可靠。球阀启闭时阀杆只作旋转运动,因此阀杆的填料密封不易被破坏,而且阀杆倒密封的密封力随着介质压力的增加而增大。适用介质:液压油、水一乙二醇、其它混合液体。
产品特点
VH3V二位三通高压球阀是我公司引进德国先进技术工艺,主要用于液压管路中控制油液的流通和截止,本型球阀具有流阻损失小,密封性能可靠,操作方便,外观精美等特点。
图形符号
型号说明

① 系列代号:VH3V系列
② 连接代号:M** 、G** 、 **LR 、**SR、PT**、NPT**
③ 阀体材料:1-钢、2-不锈钢
④ 球体材料:1-钢、2-黄铜、3-不锈钢
⑤ 工作温度:1、-25~+100℃ 2、-30~+170℃
⑥ 其他密封:2-丁晴橡胶、4-氟橡胶
⑦ 手柄形式:01-铝质直柄02-铝质曲柄03-铸锌直柄04-铸锌曲柄05-钢质直柄06-钢质曲柄09-不带手柄
⑧ 设计序号:由生产商定
⑨ 表面处理:空白-磷化、G-电镀黄锌
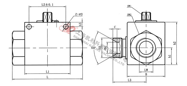
外形结构图
M连接口略图
M连接口外形尺寸
|
简略型号 |
PN |
DN |
LW |
RA |
d1 |
i |
L |
L1 |
B |
L2 |
h1 |
h2 |
SW1 |
SW2 |
D |
h3 |
L3 |
D1 |
C |
|
VH3V-M16×1.5 |
500 |
06 |
06 |
11 |
M16×1.5 |
11 |
69 |
40 |
26 |
31.5 |
13.5 |
35 |
09 |
22 |
4.5 |
4.8 |
26 |
6 |
4 |
|
VH3V-M27×1.5 |
500 |
10 |
10 |
20 |
M27×1.5 |
12 |
76 |
42 |
32 |
31.5 |
16 |
40 |
09 |
27 |
5.3 |
5.8 |
31 |
8 |
4 |
|
VH3V-M36×2 |
400 |
20 |
20 |
30 |
M36×2 |
15 |
103 |
60 |
48 |
48.5 |
25 |
58 |
12 |
41 |
6.5 |
6 |
44 |
15 |
5.5 |
|
VH3V-M42×2 |
350 |
25 |
23 |
35 |
M42×2 |
18 |
116 |
65 |
57 |
50.5 |
28.5 |
65 |
12 |
50 |
8.5 |
7 |
53.5 |
22 |
5 |
G连接口略图
G连接口外形尺寸
|
简略型号 |
PN |
DN |
LW |
RA |
d1 |
i |
L |
L1 |
B |
L2 |
h1 |
h2 |
SW1 |
SW2 |
D |
h3 |
L3 |
D1 |
C |
|
VH3V-G1/4 |
500 |
06 |
06 |
/ |
G1/4 |
14 |
69 |
40 |
26 |
31.5 |
13.5 |
35 |
09 |
22 |
4.5 |
4.8 |
26 |
6 |
4 |
|
VH3V-G3/8 |
500 |
10 |
10 |
/ |
G3/8 |
14 |
72 |
42 |
32 |
31.5 |
16 |
40 |
09 |
27 |
5.3 |
5.8 |
31 |
8 |
4 |
|
VH3V-G1/2 |
500 |
13 |
12 |
/ |
G1/2 |
16 |
83 |
48 |
35 |
38.5 |
18 |
45 |
09 |
30 |
6.5 |
6 |
35 |
12 |
3 |
|
VH3V-G3/4 |
400 |
20 |
20 |
/ |
G3/4 |
18 |
93 |
60 |
50 |
48.5 |
23 |
58 |
12 |
41 |
6.5 |
6 |
44 |
15 |
5.5 |
|
VH3V-G1 |
350 |
25 |
25 |
/ |
G1 |
21 |
115 |
65 |
57 |
50.5 |
27.5 |
65 |
12 |
46 |
8.5 |
7 |
53.5 |
22 |
5 |
NPT连接口略图
NPT连接口外形尺寸
|
简略型号 |
PN |
DN |
LW |
RA |
d1 |
i |
L |
L1 |
B |
L2 |
h1 |
h2 |
SW1 |
SW2 |
D |
h3 |
L3 |
D1 |
C |
|
VH3V-NPT1/4 |
500 |
06 |
06 |
/ |
NPT1/4 |
14 |
69 |
40 |
26 |
31.5 |
13.5 |
35 |
09 |
22 |
4.5 |
4.8 |
26 |
6 |
4 |
|
VH3V-NPT3/8 |
500 |
10 |
10 |
/ |
NPT3/8 |
14 |
72 |
42 |
32 |
31.5 |
16 |
40 |
09 |
27 |
5.3 |
5.8 |
31 |
8 |
4 |
|
VH3V-NPT1/2 |
500 |
13 |
12 |
/ |
NPT1/2 |
16 |
83 |
48 |
35 |
38.5 |
18 |
45 |
09 |
30 |
6.5 |
6 |
35 |
12 |
3 |
|
VH3V-NPT3/4 |
400 |
20 |
20 |
/ |
NPT3/4 |
18 |
95 |
60 |
50 |
48.5 |
23 |
58 |
12 |
41 |
6.5 |
6 |
44 |
15 |
5.5 |
|
VH3V-NPT1 |
350 |
25 |
25 |
/ |
NPT1 |
21 |
113 |
65 |
57 |
50.5 |
27.5 |
65 |
12 |
46 |
8.5 |
7 |
53.5 |
22 |
5 |
LR连接口略图
LR连接口外形尺寸
|
简略型号 |
PN |
DN |
LW |
RA |
d1 |
i |
L |
L1 |
B |
L2 |
h1 |
h2 |
SW1 |
SW2 |
D |
h3 |
L3 |
D1 |
C |
|
VH3V-08LR |
500 |
06 |
06 |
08 |
M14×1.5 |
10 |
67 |
40 |
26 |
31.5 |
13.5 |
35 |
09 |
22 |
4.5 |
4.8 |
26 |
6 |
4 |
|
VH3V-12LR |
500 |
10 |
10 |
12 |
M18×1.5 |
11 |
74 |
42 |
32 |
31.5 |
16 |
40 |
09 |
27 |
5.3 |
5.8 |
31 |
8 |
4 |
|
VH3V-15LR |
500 |
13 |
12 |
15 |
M22×1.5 |
12 |
82 |
48 |
35 |
38.5 |
18 |
45 |
09 |
30 |
6.5 |
6 |
35 |
12 |
3 |
|
VH3V-18LR |
500 |
13 |
12 |
18 |
M26×1.5 |
12 |
82 |
48 |
35 |
38.5 |
18 |
45 |
12 |
30 |
6.5 |
6 |
35 |
12 |
3 |
|
VH3V-22LR |
400 |
20 |
19 |
22 |
M30×2 |
14 |
101 |
60 |
50 |
48.5 |
23 |
58 |
12 |
41 |
6.5 |
6 |
44 |
15 |
5.5 |
|
VH3V-28LR |
350 |
25 |
24 |
28 |
M36×2 |
14 |
108 |
65 |
57 |
50.5 |
27.5 |
65 |
12 |
46 |
8.5 |
7 |
53.5 |
22 |
5 |
SR连接口略图
SR连接口外形尺寸
|
简略型号 |
PN |
DN |
LW |
RA |
d1 |
i |
L |
L1 |
B |
L2 |
h1 |
h2 |
SW1 |
SW2 |
D |
h3 |
L3 |
D1 |
C |
|
VH3V-10SR |
500 |
06 |
06 |
10 |
M18×1.5 |
12 |
73 |
40 |
26 |
31.5 |
13.5 |
35 |
09 |
22 |
4.5 |
4.8 |
26 |
6 |
4 |
|
VH3V-14SR |
500 |
10 |
10 |
14 |
M22×1.5 |
14 |
80 |
42 |
32 |
31.5 |
16 |
40 |
09 |
27 |
5.3 |
5.8 |
31 |
8 |
4 |
|
VH3V-16SR |
500 |
13 |
12 |
16 |
M24×1.5 |
14 |
86 |
48 |
35 |
38.5 |
18 |
45 |
09 |
30 |
6.5 |
6 |
35 |
12 |
3 |
|
VH3V-20SR |
500 |
13 |
12 |
20 |
M30×2 |
16 |
90 |
48 |
35 |
38.5 |
18 |
45 |
09 |
30 |
6.5 |
6 |
35 |
12 |
3 |
|
VH3V-25SR |
400 |
20 |
20 |
25 |
M36×2 |
18 |
109 |
60 |
50 |
48.5 |
23 |
58 |
12 |
41 |
6.5 |
6 |
44 |
15 |
5.5 |
|
VH3V-30SR |
350 |
25 |
25 |
30 |
M42×2 |
20 |
120 |
65 |
57 |
50.5 |
27.5 |
65 |
12 |
46 |
8.5 |
7 |
53.5 |
22 |
5 |
声明:【VH3V二位三通高压球阀】规格型号、结构尺寸由welcome赢乐提供,如何选择适用的VH3V二位三通高压球阀产品,使之在工艺控制中安全可靠、经济适用,可致电我司销售部门及技术部门,我们将在最短的时间内为您解答! |