BKH,MKH高压球阀
BKH、MKH高压球阀适用于液压系统和化工系统的各种管路上做为启闭用。开关迅速、方便,流体阻力小,是所有阀类中流体阻力最小的一种只要阀杆转动90°,球阀就完成了全开或全关动作,很容易实现快速启闭。阀杆密封可靠。球阀启闭时阀杆只作旋转运动,因此阀杆的填料密封不易被破坏,而且阀杆倒密封的密封力随着介质压力的增加而增大。适用介质:液压油、水一乙二醇、其它混合液体。
|
产品名称: |
BKH、MKH高压球阀 |
产品型号: |
BKH、MKH |
|
公称通径: |
DN6~DN50 |
结构形式: |
球形 |
|
公称压力: |
16.0Mpa~31.5Mpa~50.0Mpa |
连接方式: |
SAE法兰 |
|
适用温度: |
-20~+100℃~+170℃ |
驱动方式: |
手动 |
|
阀体材质: |
铸钢、不锈钢 |
制造标准: |
国标GB、德国DIN、美国API、ANSI |
|
适用介质: |
水、油、气 |
生产厂家: |
welcome赢乐 |
产品说明
BKH、MKH高压球阀适用于液压系统和化工系统的各种管路上做为启闭用。开关迅速、方便,流体阻力小,是所有阀类中流体阻力最小的一种只要阀杆转动90°,球阀就完成了全开或全关动作,很容易实现快速启闭。阀杆密封可靠。球阀启闭时阀杆只作旋转运动,因此阀杆的填料密封不易被破坏,而且阀杆倒密封的密封力随着介质压力的增加而增大。适用介质:液压油、水一乙二醇、其它混合液体。
产品特点
BKH、MKH高压球阀是我公司引进德国先进技术工艺,主要用于液压管路中控制油液的流通和截止,本型球阀具有流阻损失小,密封性能可靠,操作方便,外观精美等特点。
图形符号
型号说明
①产品代号:BKH、MKH系列高压球阀
②接头标准:SAE J518C标准
③压力等级:210、420 bar
④公称通径:13、20、25、32、40、50 mm
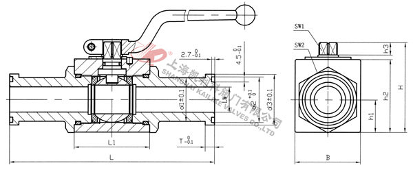
外形结构图
主要外形尺寸表
|
简略型号 |
bar |
DN |
LW |
L |
L1 |
B |
H |
h1 |
h2 |
h3 |
|
BKH-SAE-FS-210-13 |
210 |
13 |
13 |
151 |
47 |
35 |
49 |
18 |
38 |
10 |
|
BKH-SAE-FS-420-13 |
420 |
13 |
13 |
151 |
47 |
35 |
49 |
18 |
38 |
10 |
|
BKH-SAE-FS-210-20 |
210 |
20 |
19 |
162 |
60 |
48 |
70 |
25 |
55 |
11 |
|
BKH-SAE-FS-420-20 |
315 |
20 |
19 |
174 |
60 |
48 |
70 |
25 |
55 |
11 |
|
BKH-SAE-FS-210-25 |
210 |
25 |
25 |
178 |
65 |
57 |
79 |
28.5 |
64 |
11 |
|
BKH-SAE-FS-420-25 |
315 |
25 |
22 |
198 |
65 |
57 |
79 |
28.5 |
64 |
11 |
|
BKH-SAE-FS-210-32 |
210 |
32 |
30 |
191 |
84 |
75 |
101 |
37.5 |
84 |
12 |
|
BKH-SAE-FS-420-32 |
350 |
32 |
27 |
223 |
84 |
75 |
101 |
37.5 |
84 |
12 |
|
BKH-SAE-FS-210-40 |
210 |
40 |
36 |
231 |
91 |
85 |
112 |
42.5 |
95 |
12 |
|
BKH-SAE-FS-420-40 |
350 |
40 |
32 |
281 |
91 |
85 |
112 |
42.5 |
95 |
12 |
|
BKH-SAE-FS-210-50 |
210 |
50 |
48 |
232 |
100 |
104 |
131 |
62 |
112.5 |
12 |
|
BKH-SAE-FS-420-50 |
350 |
50 |
45 |
316 |
100 |
104 |
131 |
62 |
112.5 |
12 |
主要外形尺寸表
|
SW1 |
SW2 |
T |
d1 |
d2 |
d3 |
美标O形圈 |
|
09 |
30 |
6.8 |
24 |
25.5 |
30.2 |
18.6×3.5 |
|
09 |
30 |
7.9 |
24 |
25.5 |
31.8 |
18.6×3.5 |
|
12 |
41 |
6.8 |
31.7 |
31.9 |
38.1 |
25×3.5 |
|
12 |
41 |
8.9 |
32 |
31.9 |
41.3 |
25×3.5 |
|
12 |
50 |
8.1 |
38 |
39.8 |
44.4 |
32.9×3.5 |
|
12 |
50 |
9.6 |
38 |
39.8 |
47.6 |
32.9×3.5 |
|
14 |
60 |
8.1 |
43 |
44.6 |
50.8 |
37.7×3.5 |
|
14 |
60 |
10.4 |
44 |
44.6 |
54 |
37.7×3.5 |
|
14 |
70 |
8.1 |
50 |
54.1 |
60.3 |
47.2×3.5 |
|
14 |
70 |
12.7 |
51 |
54.1 |
63.5 |
47.2×3.5 |
|
14 |
90 |
9.6 |
62 |
63.6 |
71.4 |
56.7×3.5 |
|
14 |
90 |
12.7 |
67 |
63.6 |
79.4 |
56.7×3.5 |
声明:【BKH,MKH高压球阀】规格型号、结构尺寸由welcome赢乐提供,如何选择适用的BKH,MKH高压球阀产品,使之在工艺控制中安全可靠、经济适用,可致电我司销售部门及技术部门,我们将在最短的时间内为您解答! |