
BX44W三通保温旋塞阀
BX44W三通保温旋塞阀是关闭件或柱塞形的旋转阀,通过旋转90度使阀塞上的通道口与阀体上的通道口相通或分开,实现开启或关闭的一种阀门。旋塞阀广泛地应用于油田开采、输送和精练设备中,同时也广泛用于石油化工、化工、煤气、天然气、液化石油气、暖通行业以及一般工业中。
| 产品名称: | 三通保温旋塞阀 | 产品型号: | BX44W |
| 公称通径: | DN15~DN300 | 结构形式: | 圆柱形或圆锥形 |
| 公称压力: | 1.0MPa | 连接方式: | 法兰 |
| 适用温度: | -29ºC~+250ºC | 驱动方式: | 手动、电动 |
| 阀体材质: | 铸钢、不锈钢 | 制造标准: | 国标GB、德国DIN、美国API、ANSI |
| 适用介质: | 滤清、易凝固、易结晶等介质 | 生产厂家: | welcome赢乐 |
| 型号 |
公称压力 PN(MPa) |
试验压力PS(MPa) |
工作压力 P(MPa) |
适用介质 |
工作温度 (℃) |
|
| 壳体 | 密封 | |||||
| BX44W-1.0P | 1.0 | 1.5 | 1.1 | 1.0 | 硝酸类等 | ≤250 |
| BX44W-1.0C | 1.0 | 1.5 | 1.1 | 1.0 | 非腐蚀、弱腐蚀 | ≤250 |
| 零件名称 | 阀体、塞子 | 填料 |
|
BX44W-1.0P BX44W-1.0R |
不锈钢 | 石墨盘根+304 |
| BX44W-1.0C | 铸钢 |
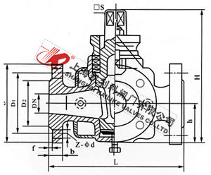
| 口径(DN) | L | D | D1 | D2 | z-φd | |
| 20 | 145 | 150 | 105 | 75 | 55 | 4╳14 |
| 25 | 145 | 160 | 115 | 85 | 65 | 4╳14 |
| 32 | 165 | 190 | 135 | 100 | 78 | 4╳18 |
| 40 | 180 | 200 | 145 | 110 | 85 | 4╳18 |
| 50 | 200 | 220 | 160 | 125 | 100 | 4╳18 |
| 65 | 220 | 280 | 180 | 145 | 120 | 4╳18 |
| 80 | 250 | 300 | 195 | 160 | 135 | 4╳18 |
| 100 | 300 | 340 | 215 | 180 | 155 | 8╳18 |
| 125 | 350 | 245 | 210 | 185 | 8╳18 | |
| 150 | 400 | 280 | 240 | 210 | 8╳23 | |
| 200 | 450 | 335 | 295 | 265 | 8╳23 | |
| 250 | 530 | 390 | 350 | 320 | 12╳23 | |
| 300 | 580 | 440 | 400 | 368 | 12╳23 | |
声明:【BX44W三通保温旋塞阀】规格型号、结构尺寸由welcome赢乐提供,如何选择适用的BX44W三通保温旋塞阀产品,使之在工艺控制中安全可靠、经济适用,可致电我司销售部门及技术部门,我们将在最短的时间内为您解答! |